1800KW柴油發電機組輸出柜配置清單及線路圖
啟動柜是指電動機的起動,柴油發電機組這個發電設備對普通中國人來說不陌生了,但是相信了解的人也不多,都知道柴油發電機是用來發電的。其實,在一個城市里有許多發電機就在我們的身邊,例如我們住宅里的電梯吧,如安防系統, 電梯,信息儲備,消防安全等,這些都是與大家的生活息息相關的!今天柴油發電機廠家頂博電力給大家介紹柴油發是機組啟動柜材料及其圖紙。
1800KW柴油發電機組配電柜材料報價明細清單 | |||||
主開關柜 | |||||
序號 | 名稱 | 型號規格 | 單位 | 數量 | 廠家 |
1 | 柜體 | GGD 1000*800*2200(寬*深*高) | 臺 | 1 | 定制 |
2 | 萬能式框架斷路器 | MVS 32H 3F202+相間隔板+瞬動失壓線圈 MN-AC200-250V | 臺 | 1 | 施奈德 |
3 | 電流互感器 | BH-0.66Ⅱ 3000/5 Φ120 0.5級 1匝 | 只 | 3 | 正泰 |
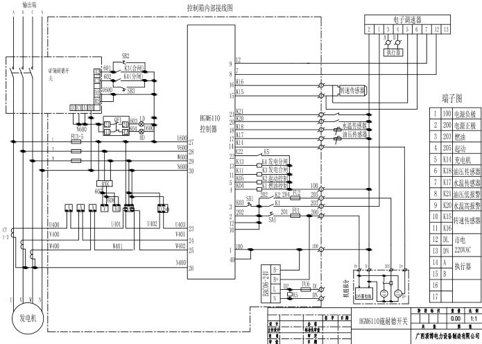
4 | 發電機組控制器 | HGM6110N | 只 | 1 | 眾智 |
5 | 直流電源模塊 | BAC06A AC220V/DC24V | 只 | 1 | 眾智 |
6 | 小型中間繼電器 | NXJ24V-4Z1 D | 只 | 4 | 正泰 |
7 | 小型中間繼電器 | NXJ-A220V-4Z1 D | 只 | 1 | 正泰 |
8 | 電流表 | 42L6-A,3000/5 | 只 | 3 | 正泰 |
9 | 功率表 | 42L6-KW 3000/5A 380V | 只 | 1 | 正泰 |
10 | 功率因數表 | 42L6-COSφ 380V 5A三相 | 只 | 1 | 正泰 |
11 | 頻率表 | 42L6-HZ 45-55HZ/380V | 只 | 1 | 正泰 |
12 | 電壓表 | 42L2-V 0~450V | 只 | 1 | 正泰 |
13 | 電壓換相開關 | LW5-16YH2/2 | 只 | 1 | 正泰 |
14 | 熔斷器 | RT14-20/ 6A | 套 | 5 | 正泰 |
15 | 信號燈 | AD56-22DS/Y,G,R,~220V,黃1,紅1,綠1 | 只 | 3 | 國優 |
16 | 按鈕 | LAY50-22D-11,1開1閉,紅,綠各1 | 只 | 2 | 國優 |
17 | 急停接鈕 | 紅色 | 只 | 1 | 國優 |
18 | 旋鈕 | 黑色 三擋 | 只 | 1 | 國優 |
19 | 主銅排 | TMY-120*10 | 米 | 18 | 國優 |
20 | 主銅排 | TMY-100*10 | 米 | 10 | 國優 |
21 | 零排 | TMY-120*10 | 米 | 0.8 | 國優 |
22 | 接地銅排 | TMY-100*10 | 米 | 0.8 | 國優 |
23 | 絕緣子 | 圓形,紅色,>M10 | 只 | 36 | 海坦 |
24 | 配電柜安裝人工 | 臺 | 1 | ||
25 | 輔材 | 臺 | 1 | ||
26 | 運費 | 臺 | 1 | ||
1800KW柴油發電機組啟動柜配置圖紙
以上信息來由廣西發電機組廠家頂博電力(http://m.w283.cn)收集整理, 我公司主營產品有康明斯發電機組、玉柴發電機組、沃爾沃發電機組、帕金斯發電機組、上柴發電機組等,可根據客戶需要提供自啟動、并機及微機監控等配套設備,靜音及移動拖車,我公司的柴油發電機組出口東南亞、非洲、中東等地。熱線:13667715899
推薦文章
- 動力巨擎,智控機組——400KW上柴柴油發電機組,重新定義你的電力保障標準! 2026-03-13
- 400KW上柴柴油發電機組,工業級電力保障的王者之選 2026-03-13
- 動力巨擎,應急先鋒——康明斯720KW柴油發電機組,如何定義“可靠”? 2026-03-12
- 工廠備電選多大?直接上硬貨:這臺500kW玉柴發電機組,讓電力永不掉線 2026-03-11
- 2026備電選多大?為什么懂行的老板都選這臺500kW發電機組? 2026-03-11
- 停電不焦慮,這臺康明斯250KW柴油發電機組才是工廠的底氣! 2026-03-10
- 38升V12“心臟”!800KW康明斯發電機組,如何成為高端項目的“必備電力設備”? 2026-03-09
- 關鍵時刻,康明斯400KW發電機組,為你的核心負載提供可靠且穩定的保障! 2026-03-07
- 國際知名大型企業都在采購的發電機,到底強在哪? 2026-03-06
- 為什么對成本極其嚴苛的巨頭,哪怕多花錢也要選頂博?它到底強在哪? 2026-03-06






桂公網安備45010702002247